メニューへ
コンテンツへ
製品一覧へ
トップ
»
技術サポート
»
FAQ
»
MCU/DSC
» 8ビット
内容へ
技術問い合わせ
FAQ
開発ツール
MPLAB
®
IDE
コンパイラ/アセンブラ
デバッガ
開発/評価ボード
MCU/DSC
MCU全般
8ビット
16ビット
32ビット
アナログ/インターフェイス
アンプ&リニア
データコンバータ
温度管理
インターフェイス
その他
セキュリティ製品
パワーエレクトロニクス
モータ
メモリ製品
シリアルEEPROM
フラッシュメモリ
ワイヤレス製品
その他製品
ソフトウェア
USB
TCP/IP
その他
一般情報(設計、製造、規約等)
製品一覧へ
FAQ
MCU/DSC
MCU全般
|
8ビット
|
16ビット
|
32ビット
質問をクリックすると、回答が表示されます。
PIC18F14K50でデバッグができません。
Debuggerで接続すると
Target Device ID (00004760) does not match expected Device ID (000047a0)
というメッセージが出ます。
PIC18F14K50(およびPIC18F13K50)はデバッグ支援回路を実装していません。
デバッグを行うには、別途Processor Extension Pak for PIC18F1xK50(製品番号: AC244023)が必要です。
http://www.microchipdirect.com/ProductSearch.aspx?keywords=AC244023
量産デバイスとICEデバイスのIDは以下の通りです。
量産デバイス(PIC18F14K50): 4760h
ICEデバイス(PIC18F14K50-ICE): 47a0h
MPLAB
®
IDEは、プログラマ モードで接続する際には量産デバイスを、デバッガモードで接続する際はICEデバイス接続先デバイスとして想定します。
従って、デバッガモードで量産デバイスに接続しようとすると、デバイスから読み出されるIDとMPLAB IDEの期待するIDが異なるため、ご質問の通りエラーを出力して動作を中止します。
PIC18F14K50はICD 2で書き込めますか?
ICD 2単体でPIC18F14K50へ書き込もうとすると、デバイスを損傷する場合があります。
ICD 2で書き込みをする場合、以下のプログラミング アダプタを使ってください。
AC164114 - PIC18F1xK50 Programming Adapter
http://www.microchipdirect.com/ProductSearch.aspx?keywords=AC164114
PIC18F14K50への書き込みでは、以下の2点に注意してください。
1. Vpp電圧
2. PGD (D+)、PGC (D-)電圧
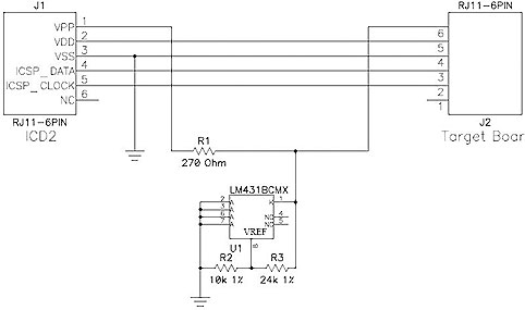
1. Vpp電圧
ICD 2はVpp電圧を12 Vから14 Vの間で制御します。
しかし、PIC18F 14K50はVpp電圧として最大9 Vまでしか受け入れられません。
ICD 2の出力するVppでは、PIC18F 14K50にとっては過電圧となります。
そのため、Vpp電圧を制限する必要があります。
(参考回路例)
2. PGD (D+)、 PGC (D-)電圧
書き込み用のデータ(PGD)とクロック(PGC)は、USBのD+とD-とピンを共有しており、内部USB回路に接続されているため、このピンへの電圧は3.3 Vに制限する必要があります。
5 V系のVDD電圧で書き込みを行う場合、信号のレベル変換が必要です。
(参考ブロック図)
Programming Specifications
http://ww1.microchip.com/downloads/en/DeviceDoc/41342E.pdf
AC164114プログラミング アダプタを使うと、上記2点を解決します。
PIC16F1459への書き込みに失敗します。
PIC16F145xファミリにはICSPピンが2組あります。そのうちUSBの信号線(D+、D-)とピンを共有するICSP信号線ペアを使って書き込む際はLVP(低電圧プログラミング)モードを使う事が必要です。または、もう一方のペアで書き込みを行ってください。
(前者の信号線ペアは従来のPIC18F1xK50ファミリとの互換性を確保するためのものです。)
PIC18F87K90ファミリの型番にRSLが付いた製品があります。これは何を意味していますか?
RSLが付加されたものは、最新ではないシリコンリビジョンA3のデバイスを示しています。A3リビジョンが必要なお客様向けのデバイスですので、通常はRSL品を選ぶ必要はありません。
PIC16F819ファミリデバイスには型番の末尾にTSLが付いたものがあります。何が違うのでしょうか?
TSLの付いたデバイスは、内蔵オシレータ(INTOSC)の精度がTSLの付かないデバイスよりも高くなっています。詳細は、データシートの電気的特性で「INTOSC Accuracy」をご確認ください。
http://ww1.microchip.com/downloads/en/DeviceDoc/39598F.pdf
スリープ中の消費電力を低減するためFVRを無効にしてからスリープに移行させています。ところがI
PD
の落ち方が遅いため無駄な電力を消費してしまいます。消費電力をもっと低減するために、I
PD
の落ち方を速くできませんか?
スリープに移行する前にFVREN=0でFVRを無効にするだけだと、オペアンプ入力がフローティング状態となるため、I
PD
の落ち方が緩慢となります。FVREN=0だけではなく、ADFVRあるいはCDAFVRの出力も無効にしてください。オペアンプ入力のフローティング状態を解消できます。
PIC16F1823を使用しています。A/Dコンバータの参照電圧としてFVRの1.024 Vを利用できますか?
PIC16F1823の場合、A/Dコンバータの参照電圧としてFVRの1.024 Vは使用できません。参照電圧の最小値は1.8 Vです。他のPIC
®
MCUの場合も必ずデータシートでA/Dコンバータの参照電圧(Vref)の最小値を確認してください。
PIC18F2520に対する書き込み時のベリファイは成功しますが、ベリファイのみを実行すると失敗してしまいます。原因は何でしょうか?
PIC18F2520ファミリにはTable Read Protectを有効にすると、有効にしたブロックのベリファイができなくなる既知の問題があります。ベリファイのみの実行が失敗するのはこれが原因と考えられます。
プログラマのリリースノート内Known Problemsを参照ください。
PIC18F2520 MCUs: Table Read Protect (EBTRx) will not work unless Code Protect (CPx) is enabled. Also, once Table Read Protect is enabled, you cannot perform a Verify on the protected block.
8ビットPIC
®
MCUのCLC デザインツールはどこからダウンロードできますか?
CLC デザインツールはMPLAB
®
Code Configurator (MCC)に統合されたため、単体でインストールする事はできなくなりました。MPLAB X IDEのプラグインとしてMCCをインストールしてお使いください。MCCは以下のURLからダウンロードできます。
http://www.microchip.com/pagehandler/en_us/devtools/code_configurator/home.html
PIC16F1947のAN0, AN1, AN2を連続AD変換して使用していますが、各チャンネルを切り替えた時に変換データとして10bit以上の値がADRESにセットされます。
各チャンネル選択後、3回AD変換してReadしていますが、1回目のデータが異常になる現象が発生しております。
制御は、MCCにて生成した関数を使用しています。考えられる原因は何ですか?
下記のリンクが参考になるでしょう。
https://microchip.my.site.com/s/article/ADC-channel-changing---PIC16F---PIC18F--8-bit-PIC-MCU
トップ
ニュース・会社案内
日本語資料
技術サポート
トレーニング
ご購入
動画
Copyright © Microchip Technology Japan K.K. All rights reserved.